Joy-it RB-Moto2 rozšiřující deska pro Raspberry Pi®
Kód: C1274197
Výrobce: Joy-it
Dostupnost: k dodání 2 - 5 dnů
Cena: 419,- Kč s DPH
STPřidat do košíku
Popis
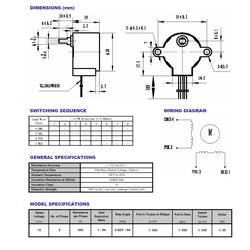
Tato sada pro Raspberry / Raspberry Plus se skládá z řídicí desky a 2 krokových motorů. Deska je kompletně sestavená a lze ji připojit přímo k Raspberry.
Tento text byl přeložen strojově.
Vybavení
- Řídicí deska motoru se 2 krokovými motory
Rozsah dodávky
- Hotová řídicí deska
- 2x krokový motor.
| Technické parametry | |
| Vhodný pro (vývojový počítač) | Raspberry Pi® · Raspberry Pi® A, B, B+ · Raspberry Pi® 2 B · Raspberry Pi® 3 A+ · Raspberry Pi® 3 B · Raspberry Pi® 3 B+ · Raspberry Pi® 4 B · Raspberry Pi® A · Raspberry Pi® A+ · Raspberry Pi® B · Raspberry Pi® B+ · Raspberry Pi® Piface · Raspberry Pi® Zero |
| Kategorie produktu | rozšiřující deska pro Raspberry Pi® |



